Généralités
On appelle amplificateur différentiel tout système susceptible d'amplifier la différence de potentiel existante entre deux points donc aucun n'est relié à la masse. On distingue généralement deux configurations de base.
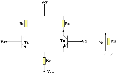
Amplification différentielle à sortie symétrique

La charge Ru n'ayant aucune borne reliée à la masse est appelée charge flottante.
Amplificateur à sortie asymétrique

D'une manière générale l'amplificateur différentiel est alimenté par deux sources de tension opposées +VCC et -VEE, ceci pour éviter les circuits de polarisation et les condensateurs de liaison dans les bases des transistors. L'entrée V1 est appelée entrée non inverseuse, sa tension V1 est en phase avec V0 et l'entrée V2 est appelée entrée inverseuse, sa tension V2 est déphasée de 180° par rapport à V0
Mode de fonctionnement
L'amplificateur différentiel est conçu pour amplifier la différence entre les deux signaux V1 et V2.
Cependant la sortie dépendra d'une certaine mesure et de la somme des signaux. Si nous considérons les deux signaux V1 et V2, ils peuvent être décomposés à deux niveau de signaux d'entrée comme suite Vd=V1-V2 et VMC=½(V1+V2)
Vd est appelé tension d'entrée en mode différentiel ou encore tension différentielle d'entrée. C'est elle que nous voulons amplifier.
VMC est appelée tension d'entrée en mode commun. Il représente le signal parasite (le bruit).
Quand l'amplificateur différentiel répond à la différence V1-V2, on dit qu'il est en mode différentiel. Quand les deux entrées sont égales, on dit qu'il est en mode commun.
Idéalement l'amplificateur différentiel ne doit produire des signaux de sortie qu'en mode différentiel.
Etude en mode continu
Les circuits équivalents en continu d'un amplificateur sont les suivants.

RB peut être une résistance réelle ou alors représenter la résistance de Thevenin des circuits d'attaque. En supposant que ib=0 on a:
![]()
IE est appelé courant de polarisation de charge transistor et IT est appelé courant de queue.
Analyse en alternatif
Cas d'un amplificateur différentiel à sortie symétrique

Transistor identiques: hie1=hie2=hie
Gain en tension:
V1=heib1+REiT ; V2=hieib2+REiT
V1-V2=hie(ib1-ib2)
Vd=hie(ib1-ib2)
V01=-RCi1=-RCßib1 ; V02=-RCiC2=-RCßib2
V0=V02-V01=RCßi2+RCßib1
V0=RCß(ib1-ib2)
ib1-ib2=Vd/hie
V0=RCßVd/hie ; V0/VdAd=RCß/hie
Le gain différentiel Ad est égal à Ad=RCß/hie
Schéma équivalent en mode commun:
L'analyse en mode commun ne porte que sur l'un des deux transistor dans la mesure où le signal de mode commun est identique aux deux entrées.

Le gain en mode commun est AMC qui est égal à:
AMC=V01/VMC=-RC/2RE
Taux de rejection en mode commun CMRR:
Il a pour formule CMRR=|Ad/AMC|
On l'exprime généralement en décibel: CMRR=20logCMRR
Pour un amplificateur différentiel à sortie symétrique on a:

Plus RE est élevé plus le CMRR est meilleur.
Nous pouvons aussi étudier le montage amplificateur différentiel non symétrique et retrouver son CMRR.
On peut aussi remplacer les transistors T1 et T2 bipolaires par les transistors à effet de champ.
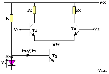
Polarisation par miroir de courant
Au lieu de polariser les émetteurs de T1 et T2 par la résistance Re, on peut le faire par miroir de courant.

Le courant dans la diode D est ID
VCC=RC.ID+VD0-VEE
ID=(VCC+VEE-VD0)/R
A cause du miroir de courant on a IT=ID. Puisque le transistor T3 se comporte comme une source de courant, sa résistance de sortie est très élevée. Il en est de même du CMRR.
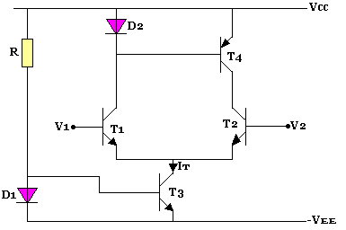
Miroir de courant de charge:
Puisque le gain différentiel est donné par la relation Ad=RCß/hie si on désire d'augmenter la résistance.
Or un RC trop élevé entraîne la saturation de T1 et T2, alors on préfère utiliser une charge active constituée par un miroir de courant de charge.

T4 et R2 constitue un miroir de courant PNP.
La résistance de sortie très élevée remplace RC dans le schéma précédent.
D1 et I3 constitue le miroir de courant de polarisation et on a: IT=(VCC+VEE)/R