Cahier de charge
On se propose de fabriquer une alimentation stabilisée à sortie multiple donc les caractéristiques sont les suivantes VS=±5V; 9V; 15V IS max=100mA.
On dispose des régulateurs intégrés LM78XX et LM79XX, les diodes de redressement, des condensateurs, des résistors, des fusibles et des transformateurs n'ayant pas de point milieu.
- Donnons le schéma synoptique.
- Donnons le schéma développé du montage.
- Justifions le choix des composants.
- Donnons le tableau de nomenclature des composants.
- Donnons le devis de ce montage.
Résolution:
- Schéma synoptique:

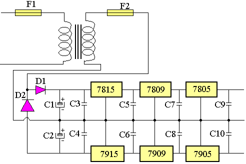
- Schéma développé électronique:

- Justification du choix des composants:

- Tableau de nomenclature:
|
Désignation |
Nombre |
Repérage |
Caractéristique |
Observation |
|
Transformateur |
1 |
T |
220V/24V 12VA |
Transformateur de tension |
|
Diodes à jonction |
2 |
D1; D2 |
1A 50V |
Diode de redressement |
|
Condensateurs polarisés |
2 |
C1; C2 |
220µF 40V |
Condensateur électrolytique |
|
Condensateurs non polarisés |
8 |
C3; C4 |
2,2µF |
Condensateur céramique |
|
C5; C6 |
220nF |
|||
|
C7; C8 |
22nF |
|||
|
C9; C10 |
2,2nF |
|||
|
Régulateurs |
6 |
R1 |
15V |
Régulateurs intégrés positifs |
|
R3 |
9V |
|||
|
R5 |
9V |
|||
|
R2 |
-15V |
Régulateurs intégrés négatifs |
||
|
R4 |
-9V |
|||
|
R6 |
-5V |
|||
|
Fusibles |
2 |
F1 |
200V |
Fusibles de protection |
|
F2 |
24V 100mA |
- Devis du montage:
|
Nom des composants |
Quantité |
Prix Unitaire |
Total |
|
Fusible |
2 |
3€ |
6€ |
|
Transformateur |
1 |
20€ |
20€ |
|
Diodes |
2 |
3€ |
6€ |
|
Condensateurs polarisés |
2 |
10€ |
20€ |
|
Condensateurs non polarisés |
8 |
5€ |
40€ |
|
Régulateurs |
6 |
6,5€ |
90€ |
|
Total |
182€ |
||
Main d'oeuvre = 25% x 182€ = 45,5€
TVA: 18,7% x 182€ = 34,03€
Divers: 22,75€
Coût du projet : 102,28€