Page 5 sur 5
Décompteur asynchrone
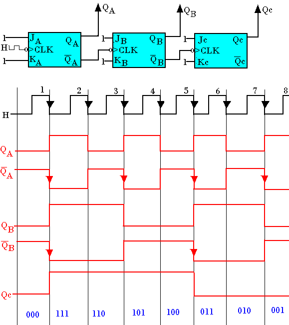
Principe de réalisation d'un décompteur asynchrone
Le câblage d'un décompteur asynchrone sa fait de la manière suivante:
- Les bascules doivent réagir au front descendant et monté en trigger.
- Le signal d'horloge est appliqué à la première bascule.
- La sortie complémentée de chaque bascule est appliquée à l'entrée d'horloge de la bascule suivante.
Les sorties des bascules constituent directement les sorties du décompteur.
Décompteur modulo 8 à bascules JK

Les compteurs asynchrones sont utilisés pour les fréquences relativement faibles pour éviter les erreurs de comptage dû au retard de propagation de chaque bascule.