Page 4 sur 4
Puissance en triphasé
Calcul de puissance
V: tension efficace
U: tension composée efficace.
I: courant de ligne.
Þ: déphasage entre V1 et I1.
On a:

Mesure de puissance
Première méthode: Utilisation d'un Wattmètre

P1 = V1I1CosÞ
PT = 3V1I1CosÞ = 3P1
L'inconvénient majeur de cette méthode est que le système devient déséquilibré. Pour remédier à cela, on utilise souvent la méthode de trois Wattmètres.
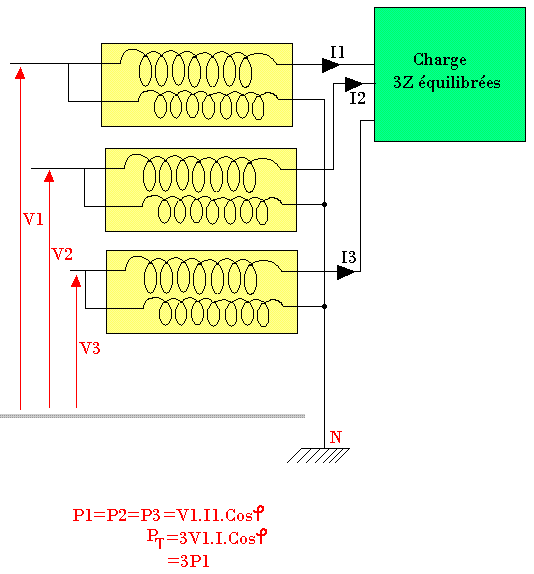
Deuxième méthode: Utilisation de trois Wattmètres

P1 = P2 = P3 = V1I1CosÞ
PT = 3P1 = 3V1I1CosÞ
L'inconvénient majeur de cette méthode est qu'il y'a 3 wattmètres et c'est chers autant minimiser le coût en utilisant 2 Wattmètres.
Troisième méthode: Utilisation de deux Wattmètres
