Types de convertisseur
Convertisseur à résistance pondérée

Ce montage est construit à partir d'un sommateur inverseur à AOP.
Les Ki sont les interrupteurs électroniques (transistors bipolaire à effet de champ)
Si le bit ai de rang i est à

Exemple:
N=001101=25.0+24.0+23.1+220+21.1=8+4+1=13
U=-13(Uref/26)=-13Uref/26
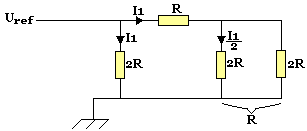
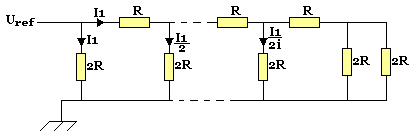
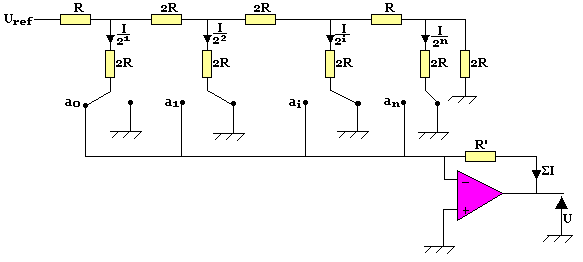
Convertisseur en échelle R-2R
Soient les deux montages suivants:

Deux résistances identiques mises en parallèles comme à la figure 1 constitue un diviseur de courant par deux. Et leur résistance équivalente donne R

Le groupement en parallèle des deux résistances 2R a une résistance équivalente égale à R. Ce groupement en série avec R constitue une résistance égale à 2R. On a donc une succession de deux diviseurs de courant par deux.

On a ici une succession de n diviseurs par 2 et chaque courant va être affecté à un bit du nombre binaire n dans le convertisseur numérique-analogique.

Si ai est à 1; Ki connecté à V-
Si ai est à 0; Ki connecté à la masse
On aura:

En général Uref=10V et R'=2R, les interrupteurs sont parfaits.