Préambule
Dans ce cours nous nous proposons d'étudier les réponses de quelques circuits simples à une excitation sous forme d'un échelon.
Réponse d'un circuit à une excitation
Considérons un circuit à priori quelconque soumis à une excitation a(t). Cette excitation peut être une excitation en tension exercée par un générateur de tension convenable ou une excitation en courant exercée alors par un générateur de courant. Le circuit réagit à l'excitation et l'on appelle réponse du circuit une grandeur physique r(t) déterminée: tension ou courant mesuré en un pont du circuit. Nous allons examiner successivement les deux types de tension.
Echelon de tension
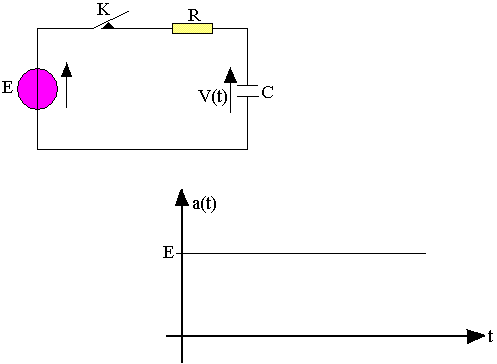
Réponse d'un circuit RC à un échelon de tension
Considérons le circuit suivant et supposons qu'à l'instant t=0 on ferme l'interrupteur K, le condensateur C étant initialement non chargé.

La réponse étudiée est la tension v(t) aux bornes du condensateur, où l'intensité I traversant le circuit. Par application des lois des mailles on obtient:

On définit la constante égale à RC comme la constante de temps du circuit:
![]()
Réponse en tension

Réponse en courant

Bilan énergétique
Entre les instants 0 et t1>0, le générateur fournit l'énergie Wg telle que:

L'énergie dissipée dans R sous forme de chaleur est:

L'énergie électrique emmagasinée en C est:
