Généralités
En fonctionnement classe "B" le point de repos Q du transistor est fixe au point de blocage de deux droites de charge statique et dynamique. Ainsi le courant collecteur ne circule que durant que 180° d'un cycle alternatif.
Un transistor classe "B" supprime une alternance pour les deux. Pour éviter la déformation du signal de sortie on monte deux transistors en Push pull.
Montage Push pull
Alimentation par deux sources de tension

Si V>0 iS=iC1 et VS=V-VBE1 T1 passant et T2 bloqué.
Si V<0 T1 bloqué et T2 passant iS=i2 et VS=V-VBE2
Alimentation par une seule source

Dans ce cas il y'a un condensateur C en série avec la charge.
A l'alternance positive lorsque V>0 T1 passant T2 bloqué, le condensateur se charge.
A l'alternance négative Vi<0 ; T1 bloqué ; T2 passant le condensateur C se décharge.
RL est donc parcouru par un courant alternatif.
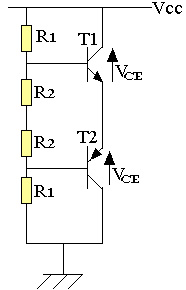
Schéma équivalent en continu:

Les résistances de polarisation sont choisies pour fixer le point Q au point de blocage ICQ=0, puisque les résistances de polarisation sont égales aux deux transistors. On aura VCEQ=VCC/2 VCC=VCCE+VCE=2VCE

Par ailleurs la résistance de charge statique est égale à 0 Rdc=0. Par conséquent la droite de charge statique est verticale.
En alternatif la résistance de charge dynamique Rac=RL. L'équation de la droite de charge est IC=-VCE/Rac+b passant par Q (VCC/2; 0)
0=-VCC/2Rac+b ↔ b=VCC/2Rac
Equation de la droite de charge dynamique est iC=-VCC/Rac+VCC/2Rac

Quand un transistor conduit pendant une alternance son point de fonctionnement monte sur la droite de charge dynamique, alors que le point de fonctionnement de l'autre reste au blocage. Les rôles sont inversés pendant la seconde alternance.