Polarisation d'un amplificateur classe B
Polarisation par résistance

Les résistance R1 et R2 sont choisies de manière à placer le point Q légèrement au-dessus du point de blocage. Pour le faire, il faut que la tension VBE des deux transistors soit comprise entre 0,6V et 0,7V
Il est assez difficile de régler par résistance le point Q, car il y'a risque de dérive thermique. En effet lorsque la température augment, le courant IC augmente. Le point Q monte sur la droite de charge statique qui est verticale et sa valeur ne pouvant être limitée du fait de l'absence des résistances collecteurs. Une pulsation excessive entraînera la destruction du transistor.
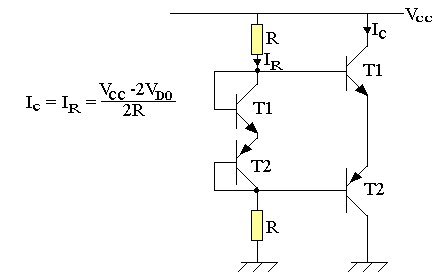
Polarisation par diode

Pour éviter la dérive thermique, on peut polariser l'amplificateur grâce à la technique du miroir de courant, en remplaçant les deux résistances R2 par deux diodes, afin de fournir la tension de polarisation VBE

Principe du miroir de courant
Le courant de base étant généralement faible, le courant dans la diode ID sont presque égaux.
IB=0 ; IR=ID= (VCC-VD0)/R avec V
Si la caractéristique de la diode est identique à celle de la jonction BE, le courant de la diode est égale au courant de l'émetteur IC=ID=IE= (VCC-VD0)/R
On peut ainsi régler le courant collecteur en réglant le courant dans la résistance R. Ce circuit est un miroir de courant.
Dans la pratique on remplace la diode D par un transistor identique à T dans laquelle la jonction BC est court-circuitée.

La polarisation par diode d'un amplificateur Push pull classe B repose donc sur deux miroirs de courant, l'un PNP et l'autre NPN IC=IR=(VCC-2VD0)/2R